Skip to Content

CAN Repeater max.60V

http://cve.4connect.4egrowth.de/web/image/product.template/10287/image_1920?unique=b7d8175

92.00 € 92.0 EUR 92.00 €

92.00 €

Not Available For Sale

This combination does not exist.

Terms and Conditions
30-day money-back guarantee
Shipping: 2-3 Business Days

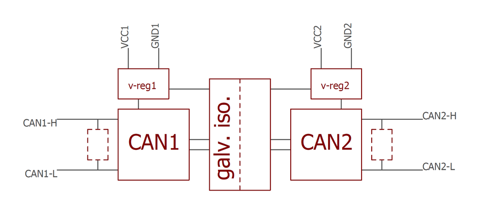
CAN in 12V + 48V Systemen

Mit zunehmender Elektrifizierung kommt es immer wieder vor, dass getrennte Bordnetze zum Einsatz kommen. Eine 12V Batterie versorgt dann meist alle übliche Fahrzeugfunktionen wie Beleuchtung, Scheibenwischer etc. und eine 48V Batterie den Fahrantrieb oder große Verbraucher. Um diese, meist galvanisch getrennten, Einzelkomponenten dennoch über CAN zu vernetzen, hat CVEP einen CAN-Isolator (Bild 6) speziell für mobile Maschinen entwickelt. Ein Spannungs-versatz zwischen beiden Systemen, wie er z.B. durch Kriechströme bei Feuchtigkeit auftreten kann, spielt dann keine Rolle mehr bei der Nachrichtenübertragung. Außerdem lässt sich die maximale Leitungslänge verdoppeln, da beide Seiten galvanisch getrennt sind. Das Modul arbeitet rein passiv und mit allen gängigen Baudraten bis 1Mbit/s. Die Versorgungsspannung ist für 12V, 24V und 48V ausgelegt. Das Modul ist wasserdicht vergossen und kann somit im Außenbereich eingesetzt werden