Skip to Content

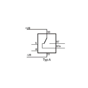
Schrittschaltrelais 24V 10A

http://cve.4connect.4egrowth.de/web/image/product.template/738/image_1920?unique=fa6ba58

1.00 € 1.0 EUR 1.00 €

1.00 €

Not Available For Sale

This combination does not exist.

Terms and Conditions
30-day money-back guarantee
Shipping: 2-3 Business Days