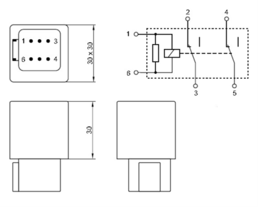
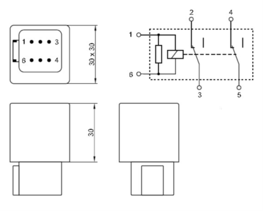
Skip to Content

Elektronics/Special Relays